UII型散热排管
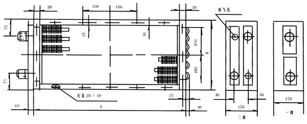
![]() |
| UII型是一种既适用于蒸汽加热系统,又适用于热水加热系统的散热排管,其进出水接头都在同一侧,进出水排管足用U型弯头连接,这样,适应了安装上的某些特殊要求,即散热排管的一端必需靠墙或者有其它障碍物等。 翅片管均用Φ16×lmm紫铜管绕制上10 × 0.2mm的皱折紫铜带而成,呈螺旋状,具有3.2mm-“R”,4.2mm-“M”,6.5mm-“T”三种不同的片距,“R”种片距,片距小而散热面积人具有大的散热量;“M”种片距,片距较大,散热量及空气阻力均较小;“T”种片距,片距大,适用蒸汽压力较高而空气温升较低的情况。 UII犁散热排管有各种不同表而管长、管数、排数及翅片片距的多种配合,计有大小规格七百六十五种。 翅片管绕制完毕后均进行表面浸镀锡合金,以确保翅片与管子接触紧密,并达到美观防腐蚀的效果。 翅片管与进气回水总管的连接,均采用铜焊,其它I—艺细节,均严格要求,考虑周密,以确保散热器性能良好,经久耐用,安装方便,经济合算。 GLⅡ型U型散热器用于造纸、化工、轻纺等企业的空调、冷却除湿等工程。因其散热管小,翅片密,所以效果佳。 UII型编号方法为: 型号—排数(片距代号)3.2—表面管数—表面管长(英寸)。 如采用两排,片距为3.2mm,表面管数为21,管长为60英寸,则为UII—2®—21—60。 |

在线订购
/ Order online
















